|
(word 格式下载)
一、产品概述 GYXX型微机消谐装置是我公司最新研制成功的新型产品,内部CPU以TI公司16位高档单片机芯片MSP430F149为采样运算、逻辑判断和控制中心,装置保留原有的大功率、无触点固态继电器、汉字液晶显示器、信号指示灯、轻触式按键和智能化软件等优点,具有外形轻巧美观、安装方便、功耗极低、免调试和维护等创新点。 该装置实时显示系统时钟及母线PT开口三角电压17Hz、25Hz、50Hz、150Hz四种频率的电压分量,可以区分过电压、铁磁谐振以及单相接地,可配置RS485通信接口,适用于无人值守变电站。
二、型号说明

三、使用条件
l 户内使用,并且室内通风良好;
l 运行环境温度:-20℃--50℃;
l 储存环境温度:-25℃--70℃;
l 湿度:最大湿度90%,表面无凝露;
l 防护等级:IEC529-P53;
l 海拔:<2000M;
l 大气压力: 80~110Kpa;
l 周围介质无导电尘埃与导致金属或使绝缘损坏的腐蚀性气体、霉菌等。
四、技术参数
l 工作电源:AC/DC220V(不分极性);
l 功耗:
1. 电源回路:DC220V≤5W或者AC220V≤5VA;
2. 交流电压回路:≤1VA;
3. 交流额定电压:100V。
l 告警接点容量(常开无源触点):5A,250VAC/5A,30VDC。
l 通讯接口:RS485,波特率1200bps~9600bps;
l 抗干扰性能
1. 装置能承受GB/T14598.14规定的严酷等级为Ⅲ级的静电放电试验;
2. 装置能承受GB/T14598.9规定的严酷等级为Ⅲ级的幅射电磁场干扰试验;
3. 装置能承受GB/T14598.10规定的严酷等级为Ⅲ级的快速瞬变干扰试验;
4. 装置能承受GB/T14598.13规定的频率为1MHz及100kHz衰减振荡波(第一半波电压幅值共模为2.5kV,差模为1kV)脉冲群干扰试验。
l 绝缘性能
1. 绝缘耐压标准满足GB/T14598.3规定。
l 机械性能
1. 工作条件:通过GB/T11287规定的Ⅰ级振动响应检验,及GB/T14537规定的I级冲击响应条件。
2. 运输条件:通过GB/T11287规定的Ⅰ级振动耐久检验,及GB/T14537规定的I级冲击耐久和碰撞检验。
五、装置特点
l CPU采用TI公司的MSP430F149,该芯片运行速度快、抗干扰性能强、集成度高,极大简化了外围电路的设计,同时方便了产品的软件升级和更新;
l 生产工艺采用表贴焊接技术,提高了整机的可靠性能;
l 整机功耗极低,在节能降耗方面发挥了决对优势;
l 显示界面采用128×64汉字图形液晶显示器,中文菜单提示,显示信息丰富、直观;
l 装置系统软件采用模块化设计、原理先进、性能稳定、安全可靠;
l 可实时显示系统时钟、日历、母线PT开口三角电压各频率电压分量;
l 可以判别过电压、铁磁谐振以及单相接地,并对铁磁谐振迅速消除;
l 有记忆功能,可以存储最近20次发生的故障信息,掉电后不丢失;
l 消谐元件采用大功率固态继电器,性能安全可靠;
l 可配置RS485通讯,可将各种信息上传至有关部门。
六、工作原理
装置实时监测PT开口三角电压,将采集到的电压经信号调理电路、AD转换电路输入到CPU,由CPU计算零序电压四种频率的电压分量,若有故障发生则判断故障类型,并显示、保存故障信息,同时给出告警信号。如果是铁磁谐振则按设定程序瞬间启动消谐元件予以消除。 
七、装置面板说明
装置面板上由液晶显示、键盘、指示灯构成,用来指示装置的工作状态及实现人机对话,具体面板布局如图四所示。
7.1、指示灯
面板上共有7个指示灯,分别为“电源”、“运行”、“装置故障”、“接地”、“谐振”、“过电压” “消谐”,指示灯的作用如下:
l “电源”指示灯——绿色,常亮表示装置工作电源正常。
l “运行”指示灯——绿色,常亮表示装置处于正常运行状态。
l “装置故障”指示灯——红色,常亮表示装置本身出现异常。
l “接地”指示灯——红色,常亮表示系统出现接地故障。
l “谐振”指示灯——红色,常亮表示系统出现谐振故障。
l “过电压”指示灯——红色,常亮表示系统出现过电压故障。
l “消谐”指示灯——红色,闪亮表示装置正在进行消谐。
7.2、按键
本装置设有8键,分别为:
l “↑”、“↓”:多功能键,即可以作为翻屏功能,在需要修改参数的情况下,兼有调整键的功能。
l “←”、“→”:光标左右移动功能,兼有调整键的功能。
l “退回”:取消当前定值输入或退出当前菜单。
l “确认”:菜单选择确认或定值输入确认。
l “复归”:用于故障报警后使信号继电器复归。
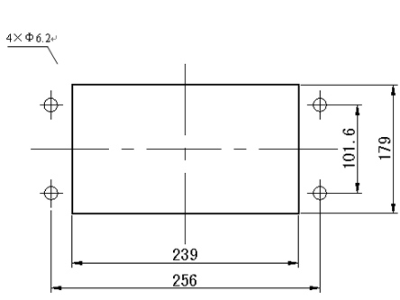
八 、装置外形、安装开孔尺寸
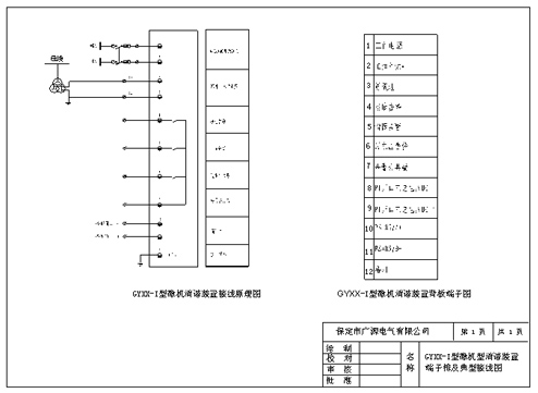
附图一、GYXX-I型微机消谐装置端子排及典型接线图
|