|
|
|
GY-LJ零序电流互感器
|
|
| 一、概述 |
|
零序电流互感器用于电力系统产生零序接地电流时与继电保护装置或信号装置配合使用,使装置元件动作,实现保护或监测。
GY - LJ 系列零序电流互感器是电缆型,采用 ABS 工程塑料外壳,树脂浇注成全密封,绝缘性能好,外形美观,具有灵敏度高,线性度好,运行可靠,安装方便等特点,其性能优于一般的零序电流互感器。应用范围广泛,不仅适应电磁型继电保护,还能适应电子和微机保护装置,用户可根据系统的运行方式(中性点接地、中性点不接地、大电阻接地、小电阻接地、消弧线圈接地)选用相适应的零序电流互感器。
|
| 二、型号说明 |
|
| 三、使用条件 |
● 环境温度: -10 ℃~ 60 ℃日平均气温不超过 +40 ℃;
● 海拔高度≤ 1000m ( 高原使用时特殊定货 ) ;
● 相对湿度≤ 85 %; ● 周围介质无导电尘埃与导电金属或使绝缘损坏的腐蚀性气体、霉菌等。
|
| 四、产品类别及主要数据 |
● 电压: 0.38 ~ 66KV ;
● 电网频率: 50Hz ;
● 同名端,一次由互感器正面“ L1 ”侧穿入,二次为“ K1 ”; ● 型号及数据,外形尺寸见图表。
|
| 五、安装方法 |
● 整体式互感器安装要在敷设电缆前进行,电缆敷设时穿过互感器。
● 开口式互感器安装可随时进行,具体安装方法如下:
● 拆下互感器“ K1 ”、“ K2 ”的联接压片。
● 将互感器顶部两条内六角螺栓松开拆下,互感器就分成两部分。
● 将互感器套在电缆上,把两个接触面擦干净,薄薄涂上一层防锈油,对好互感器两部分然后拧上内六角螺栓,互感器两部分要对齐以免影响性能。 ● 将联接片固定在“ K1 ”、“ K2 ”上。
|
| 六、订货须知 |
● 产品型号、内孔直径( mm );
● 一次零序电流,二次电流(或电流比);
● 二次负荷容量或负载阻抗; ● 准确限值系数、准确级(如果有)。
|
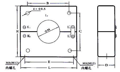
| 七、外形示意图 |
|
注: H 为高度, L 为长度, D 为厚度, E 为地脚中心距。Φ 8.5 四孔为通孔, B,C 为四间孔尺寸,可做水平安装用。 | |
| 八、ABS 外壳浇注式零序电流互感器数据及尺寸(见表 1 、表 2 ) |
|
表一: GY -LJ 系列零序电流互感器型号及数据
|
型号 |
一次零序电
流( A ) |
二次电流
( A ) |
二次负荷
(Ω) |
建议用途 |
外形尺寸( mm ) |
|
GY-LJB80
GY-LJK80 |
1-40 |
0.02-1 |
2.5 |
小电流接地选线装置等 |
孔径 |
80 |
|
长 |
195 |
|
高 |
168 |
|
GY-LJB 80A
GY-LJK 80A |
2-4 |
0.03-0.06 |
10 |
与 DD11/60 型继电器配合使用 |
厚 |
47 |
|
地脚中心距 |
175 |
|
B |
144 |
|
GY-LJB80B
GY-LJK80B |
10 |
0.2 |
10 |
与 DD11/0.2 型继电器配合使用 |
C |
121 |
|
地脚内螺孔 |
M8 |
|
|
|
GY-LJB100
GY-LJK100 |
1-40 |
0.02-1 |
2.5 |
小电流接地选线装置等 |
孔径 |
100 |
|
长 |
215 |
|
高 |
190 |
|
GY-LJB 100A
GY-LJK 100A |
2-4 |
0.03-0.06 |
10 |
与 DD11/60 型继电器配合使用 |
厚 |
53 |
|
地脚中心距 |
195 |
|
B |
158 |
|
GY-LJB100B
GY-LJK100B |
10 |
0.2 |
10 |
与 DD11/0.2 型继电器配合使用 |
C |
136 |
|
地脚内螺孔 |
M8 |
|
|
|
GY-LJB120
GY-LJK120 |
1-40 |
0.02-1 |
2.5 |
小电流接地选线装置等 |
孔径 |
120 |
|
长 |
235 |
|
高 |
210 |
|
GY-LJB 120A
GY-LJK 120A |
2-4 |
0.03-0.06 |
10 |
与 DD11/60 型继电器配合使用 |
厚 |
60 |
|
地脚中心距 |
215 |
|
B |
175 |
|
GY-LJB120B
GY-LJK120B |
10 |
0.2 |
10 |
与 DD11/0.2 型继电器配合使用 |
C |
155 |
|
地脚内螺孔 |
M8 |
|
GY-LJB140
GY-LJK140 |
1-40 |
0.02-1 |
2.5 |
小电流接地选线装置等 |
孔径 |
140 |
|
长 |
300 |
|
高 |
268 |
|
GY-LJB 140A
GY-LJK 140A |
2-4 |
0.03-0.06 |
10 |
与 DD11/60 型继电器配合使用 |
厚 |
81 |
|
地脚中心距 |
270 |
|
B |
217 |
|
GY-LJB140B
GY-LJK140B |
10 |
0.2 |
10 |
与 DD11/0.2 型继电器配合使用 |
C |
179 |
|
地脚内螺孔 |
M12 |
|
|
|
GY-LJB160
GY-LJK160 |
1-40 |
0.02-1 |
2.5 |
小电流接地选线装置等 |
孔径 |
160 |
|
长 |
300 |
|
高 |
268 |
|
GY-LJB 160A
GY-LJK 160A |
2-4 |
0.03-0.06 |
10 |
与 DD11/60 型继电器配合使用 |
厚 |
81 |
|
地脚中心距 |
270 |
|
B |
217 |
|
GY-LJB160B
GY-LJK160B |
10 |
0.2 |
10 |
与 DD11/0.2 型继电器配合使用 |
C |
179 |
|
地脚内螺孔 |
M12 |
|
|
|
GY-LJB180
GY-LJK180 |
1-40 |
0.02-1 |
2.5 |
小电流接地选线装置等 |
孔径 |
180 |
|
长 |
300 |
|
高 |
268 |
|
GY-LJB 180A
GY-LJK 180A |
2-4 |
0.03-0.06 |
10 |
与 DD11/60 型继电器配合使用 |
厚 |
81 |
|
地脚中心距 |
270 |
|
B |
217 |
|
GY-LJB180B
GY-LJK180B |
10 |
0.2 |
10 |
与 DD11/0.2 型继电器配合使用 |
C |
179 |
|
地脚内螺孔 |
M12 |
|
|
|
GY-LJB200
GY-LJK200 |
1-40 |
0.02-1 |
2.5 |
小电流接地选线装置等 |
孔径 |
200 |
|
长 |
386 |
|
高 |
344 |
|
GY-LJB 200A
GY-LJK 200A |
2-4 |
0.03-0.06 |
10 |
与 DD11/60 型继电器配合使用 |
厚 |
82 |
|
地脚中心距 |
355 |
|
B |
279 |
|
GY-LJB200B
GY-LJK200B |
10 |
0.2 |
10 |
与 DD11/0.2 型继电器配合使用 |
C |
238 |
|
地脚内螺孔 |
M12 |
|
|
|
GY-LJB240
GY-LJK240 |
1-40 |
0.02-1 |
2.5 |
小电流接地选线装置等 |
孔径 |
240 |
|
长 |
386 |
|
高 |
344 |
|
GY-LJB 240A
GY-LJK 240A |
2-4 |
0.03-0.06 |
10 |
与 DD11/60 型继电器配合使用 |
厚 |
82 |
|
地脚中心距 |
355 |
|
B |
279 |
|
GY-LJB240B
GY-LJK240B |
10 |
0.2 |
10 |
与 DD11/0.2 型继电器配合使用 |
C |
238 |
|
地脚内螺孔 |
M12 |
表二: GY-LJ 系列零序电流互感器型号及数据
|
型号 |
额定电流比
( A/A ) |
额定输出( VA ) |
准确级 |
|
外形尺寸( mm ) |
|
GY-LJB80J
GY-LJK80J |
50/5 , 50/1 |
2.5VA |
10P5 |
孔径 |
80 |
|
100/5 , 350/5 |
5VA |
10P5 |
|
长 |
196 |
|
100/1,120/1,150/1 |
5VA |
10P5 |
|
高 |
165 |
|
厚 |
49 |
|
150/5 , 200/5 |
10VA |
10P5 |
|
地脚中心距 |
173 |
|
300/1 , 300/5 ,600/1 |
10VA |
10P10 |
|
B |
145 |
|
600/5 , 1000/5 |
20VA |
10P10 |
|
C |
124 |
|
地脚内螺孔 |
M8 |
|
|
|
GY-LJB100J
GY-LJK100J |
50/1 , 50/5 |
2.5VA |
10P5 |
|
孔径 |
100 |
|
75/1 , 100/1 , 150/1, 200/1 |
5VA |
10P5 |
长 |
216 |
|
高 |
187 |
|
75/5 , 350/5 |
5VA |
10P5 |
|
厚 |
54 |
|
100/5 , 150/5 |
10VA |
10P5 |
|
地脚中心距 |
193 |
|
200/5 , 300/5 ,600/5 |
10VA |
10P10 |
|
B |
158 |
|
C |
138 |
|
地脚内螺孔 |
M8 |
|
|
|
GY-LJB120J
GY-LJK120J |
50/1 , 50/5 |
3VA |
10P5 |
|
孔径 |
120 |
|
75/5 , 100/1 ,350/5 |
5VA |
10P5 |
长 * |
236 |
|
高 * |
205 |
|
100/5 |
10VA |
10P5 |
|
厚 * |
59 |
|
150/1 , 200/1, 150/5 , 200/5 300/5 |
10VA |
10P5 |
|
地脚中心距 * |
213 |
|
B* |
173 |
|
600/5 |
20VA |
10P10 |
|
C* |
154 |
|
地脚内螺孔 * |
M8 |
|
GY-LJB120J
GY-LJK120J |
50/5 |
5VA |
10P10 |
|
孔径 |
120 |
|
50/5 , 75/5 , 100/5 |
10VA |
10P5 |
长 * |
300 |
|
150/5 |
15VA |
10P10 |
高 * |
268 |
|
50/1 , 75/1 ,100/1 |
5VA |
10P10 |
厚 * |
81 |
|
地脚中心距 * |
270 |
|
200/5 , 300/5 |
20VA |
10P10 |
B* |
217 |
|
400/5 , 500/5 ,600/5 |
30VA |
10P10 |
C* |
179 |
|
地脚内螺孔 |
M12 |
|
* 注:上述的 GY-LJB120J 或 GY-LJK120J 的变比、额定输出、准确级不同,其外型尺寸也有所不同,在选型时请注意标注尺寸。 |
|
GY-LJB140J
GY-LJK140J |
50/5 |
3VA |
10P5 |
|
孔径 |
140 |
|
50/1 , 75/1 ,100/1 , 120/1 , 200/1 |
5VA |
10P5 |
|
长 |
300 |
|
高 |
268 |
|
75/5 , 350/5 |
5VA |
10P5 |
|
厚 |
81 |
|
100/5 , 150/5 ,200/5 , 300/5 |
10VA |
10P5 |
|
地脚中心距 |
270 |
|
B |
217 |
|
C |
179 |
|
地脚内螺孔 |
M12 |
|
|
|
GY-LJB160J
GY-LJK160J |
50/5 |
3VA |
10P5 |
|
孔径 |
160 |
|
长 |
300 |
|
50/1 , 75/1 ,100/1 , 120/1 ,200/1 |
5VA |
10P5 |
|
高 |
268 |
|
厚 |
81 |
|
75/5 , 350/5 |
5VA |
10P5 |
|
地脚中心距 |
270 |
|
100/5 , 150/5 ,200/5 , 300/5 |
10VA |
10P5 |
|
B |
217 |
|
C |
179 |
|
地脚内螺孔 |
M12 |
|
|
|
GY-LJB180J
GY-LJK180J
|
50/5 |
3VA |
10P5 |
|
孔径 |
180 |
|
50/1 , 75/1 ,100/1 , 120/1 ,200/1 |
5VA |
10P5 |
长 |
300 |
|
高 |
268 |
|
|
厚 |
81 |
|
75/5 , 350/5 |
5VA |
10P5 |
地脚中心距 |
270 |
|
100/5 , 150/5 ,200/5 , 300/5 |
10VA |
10P5 |
B |
217 |
|
|
C |
179 |
|
地脚内螺孔 |
M12 |
|
|
|
GY-LJB200J
GY-LJK200J |
50/5 |
3VA |
10P5 |
|
孔径 |
200 |
|
长 |
386 |
|
50/1 , 75/1 ,100/1 , 120/1 ,200/1 |
5VA |
10P5 |
|
高 |
344 |
|
|
厚 |
82 |
|
75/5 , 350/5 |
5VA |
10P5 |
地脚中心距 |
355 |
|
100/5 , 150/5 ,200/5 , 300/5 |
10VA |
10P5 |
B |
279 |
|
|
C |
238 |
|
地脚内螺孔 |
M12 |
|
|
|
GY-LJB240J
GY-LJK240J |
50/5 |
3VA |
10P5 |
|
孔径 |
240 |
|
50/1 , 75/1 |
5VA |
10P5 |
长 |
386 |
| 100/1 , 120/1 , 200/1 |
|
|
高 |
344 |
| |
厚 |
82 |
| 75/5 , 350/5 |
5VA |
10P5 |
地脚中心距 |
355 |
| 100/5 , 150/5 , 200/5 , 300/5 |
10VA |
10P5 |
B |
279 |
| |
C |
238 |
| 地脚内螺孔 |
M12 |
| |
|
|
|
|
|
|